MP3398A, SOIC-16, V to 28V, 4-Channel, 350mA/ch WLED Boost Controller, ENTEGRE LED DRIVER MP3398A 4CH 50V SOIC1

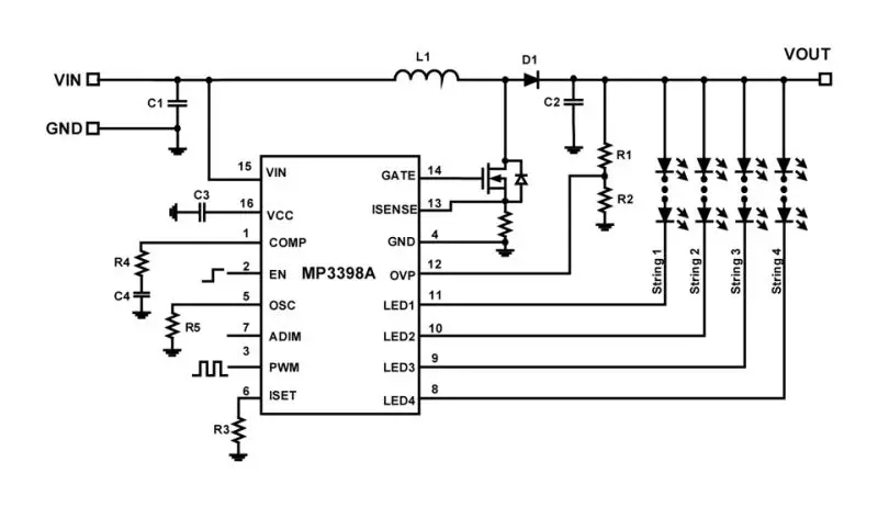
MP3398A, büyük boyutlu LCD panel arka aydınlatma uygulamaları için WLED dizilerini çalıştırmak üzere tasarlanmış, 4 akım kanalına sahip bir yükseltme denetleyicisidir. Tek bir endüktif güç kaynağını paylaşan paralel iki veya daha fazla IC ile LED kanallarının sayısını genişletmek için esnektir. MP3398A, sabit anahtarlama frekansına sahip tepe akım modunu kullanır. Frekans, harici bir ayar direnci ile programlanabilir. MP3398A, çıkış voltajını 5V'tan 28V'a yükseltmek için harici bir MOSFET'i çalıştırır. Her bir LED dizisindeki akımı, harici bir akım ayar direnci tarafından ayarlanan değere düzenler. MP3398A, akım dengesi için 4 dahili akım kaynağı uygular. Akım eşleştirme, diziler arasında %2,5 düzenleme doğruluğu elde edebilir. LED akım kaynaklarındaki düşük düzenleme voltajı güç kaybını azaltır. MP3398A, farklı karartma modu isteklerini karşılamak için hem analog hem de PWM karartmayı bağımsız olarak destekleyebilir. Ayrıca, OCP, OTP, UVP, OVP, LED kısa/açık koruma, indüktör/diyot kısa koruması dahil olmak üzere zengin koruma modları da entegre edilmiştir. MP3398A, SOIC16